Bearing

Bearing
Bearing

בוכנת סרוו חשמלית משולבת מיסבים ליניאריים של SAMICK

בוכנת סרוו חשמלית משולבת מיסבים ליניאריים של SAMICK Servo Cylinder linear

Servo Cylinder Series

בוכנת סרוו חשמלית – בוכנת סרוו חשמלית משולבת מיסבים ליניאריים של SAMICK המאפשרת : קשיחות גבוהה, מהירות, אורך חיים ארוך.

יתרונות:

  • דיוק יציב בעבודה
  • קשיחות גבוהה
  • מנוע עם התחברות קלה
  • קשיחות גבוהה ובקרת סיבוב המוט
  • הפעלה קלה של מנוע ההנעה
  • ניצול מרחב יעיל במיוחד
SAMICK - High rigidity, high speed. long service life

תכונות

  1. שימוש במיסב החלקה ליניארי כהנחיית מוט מספק התנגדות חיכוך מזערית, תנועה חלקה, פעולה במהירות גבוהה וחיי שירות ארוכים
  2. גליל הצילינדר והמוט עשויים מפלדת מיסבים קשיחה במיוחד, המתאימה לסביבות תעשייתיות קשות
  3. מגוון דגמים ניתנים להחלפה לזמינות, לגמישות בייצור ולהתאמה בשטח
  4. מתאים לשימוש במערכות בקרה בחוג סגור  (Closed-Loop)

יתרונות

  1. בקרת מסלול ומיקום מדויקת
  2. מומנט החזקה גבוה
  3. מאפייני עבודה מצוינים במהירויות נמוכות
  4. התקנה קלה
בוכנת srvo חשמלית - הנעה ישירה
הנעה ישירה
בוכנת srvo חשמלית - הנעה מקבילה
הנעה מקבילה
High rigidity, high speed. long service life - Table (2)
High rigidity, high speed. long service life - Table (1)
standard - Basic (1)
standard - Basic (2)
Tie rod - Basic (1)
Tie rod - Basic (2)
Square - Basic (1)
Square - Basic (2)
בוכנת סרוו חשמלית משולבת מיסבים ליניאריים של SAMICK - סכמה
מידות - התקנה ישירה (סטנדרט)
מידות - התקנה ישירה (סטנדרט)
מידות - התקנה מקבילה
מידות - התקנה מקבילה
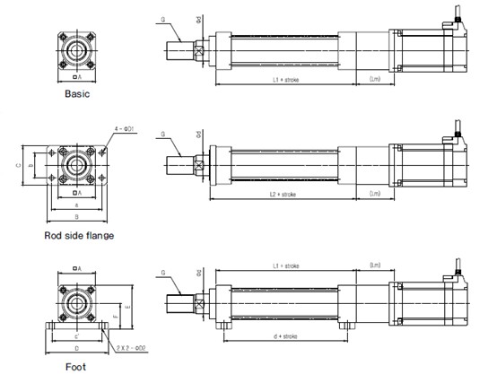
התקנה ישירה
התקנה ישירה 2
התקנה ישירה - טבלה
התקנה ישירה
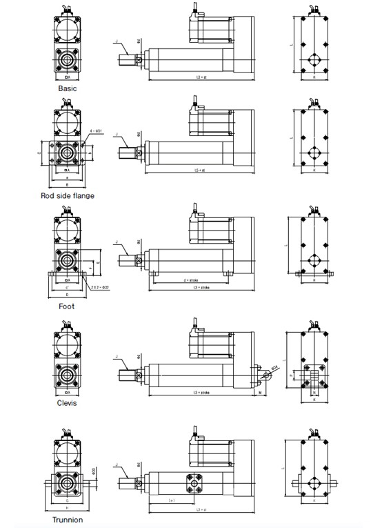
התקנה מקבילה (Tie Rod)
התקנה מקבילה (Tie Rod)
(1) התקנה - סכמה
מבנה מרובע
התקנה ישירה - מבנה מרובע
התקנה ישירה - מבנה מרובע
מרובע - התקנה מקבילה
מרובע - התקנה מקבילה
מרובע - טבלה
בוכנת סרוו חשמלית משולבת מיסבים ליניאריים של SAMICK - Example (1)
בוכנת סרוו חשמלית משולבת מיסבים ליניאריים של SAMICK - Example (2)
בוכנת סרוו חשמלית משולבת מיסבים ליניאריים של SAMICK - Example (3)
בוכנת סרוו חשמלית משולבת מיסבים ליניאריים של SAMICK - Example (4)
בוכנת סרוו חשמלית משולבת מיסבים ליניאריים של SAMICK - Example (5)
custom design

לקבלת פרטים נוספים